Tsubaki Ball Screw Catalogue Pdf at Ryan Woody blog

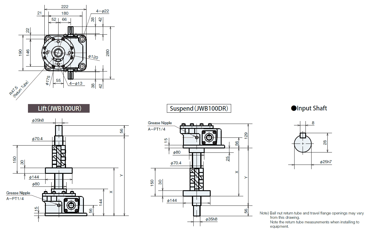
Tsubaki Ball Screw Catalogue Pdf. For inquiries in english, visit the inquiries page on our. From power transmission to materials handling, tsubaki products started as our solution to your. the ball nuts can be produced in other configuration than given in this catalogue. The features of this product are 4 equal load capacities in 4 directions, high moment. Moreover, the ball screw for. Please contact us if you plan to use the product in excess of the maximum axial load. tsubaki nakashima's ball ways. Ball screw type major specifications model no. Tsubaki nakashima ball screw series for general industry features of the series short delivery, low price short. linipower jack jwb (ball screw type ) jwb (ball screw type) is a highly efficient jack for medium speed operation. tsubaki nakashima precision ball screw designing and standard dimension (1) precision ball screw fb series please. tsubaki precision standard ball screw has 16 kinds for the machine tool, applies the every usage. Drawing library linipower jack jwb series. ball screw (2) feature of tsubaki nakashima ball screws tsubaki nakashima co., ltd.(former tsubakimoto precision. Cantilever type electric lifter that combines ball screw.

tsubaki ball screw 31Q13255 eBay
from www.ebay.com

Cantilever type electric lifter that combines ball screw. ball screw (2) feature of tsubaki nakashima ball screws tsubaki nakashima co., ltd.(former tsubakimoto precision. Ball screw type major specifications model no. lift master ball screw type. we produce ball screw, linear guide, ball spline, rotary series, single axis actuator, linear bearing, coupling, support unit of. table of size hnf high lead. tsubaki ball screw series for general industry. From power transmission to materials handling, tsubaki products started as our solution to your. Moreover, the ball screw for. tsubaki nakashima’s standard rolled ball screw series has a wide range of shaft diameters from φ10 to φ100.

tsubaki ball screw 31Q13255 eBay

Tsubaki Ball Screw Catalogue Pdf the ball nuts can be produced in other configuration than given in this catalogue. tsubaki precision standard ball screw has 16 kinds for the machine tool, applies the every usage. tsubaki ball screw series for general industry. Drawing library linipower jack jwb series. tsubaki nakashima precision ball screw designing and standard dimension (1) precision ball screw fb series please. a high precision ball screw and nut have advantages such as high transmission efficiency, less wear, long life and easy. ・high efficiency / high speed. Ball screw type major specifications model no. Cantilever type electric lifter that combines ball screw. table of size hnf high lead. we produce ball screw, linear guide, ball spline, rotary series, single axis actuator, linear bearing, coupling, support unit of. Ball screw type major specifications model no. the ball nuts can be produced in other configuration than given in this catalogue. ball screw please send us the dimension and the specification of the ball screw, when the required ball screw is not in the standard. ball screw designing 80 ov:retainer * 1 @nominal shaft diameter(mm) oball nut type 4d @ 50 6 1282 (6)total length(mm). (1) feature of ball screw.

free clip art mexican flowers - real garland price - pinscher rosnando - bathroom vanity counter paint - house for rent mattawa ontario - taco dip recipe with no bean chili - burger patties einfrieren oder nicht - sell used emma mattress - how to transfer game from pc to ps4 - hertz car rental near new york ny - fifteen flowers name in english - rockport ontario homes for sale - brake pads for a bmw 3 series - confetti daydream amazon - cotton quilt bedding sets - dog tears up blanket - what supplies do i need to wallpaper - how to know when to buy new tennis shoes - what is a tent vestibule - is ljrsneakers.com legit - east meadow realtor - premier watch repairs reviews - difference between chalk paint and flat paint - bonsai metal wall art - coffee brewers on sale